Thứ Sáu, Tháng 5 8, 2026
spot_img

Phát minh chưa từng có của người Trung Quốc: gốm sứ siêu dẻo, siêu cách nhiệt, có thể làm rung chuyển ngành hàng không vũ trụ


Các nhà nghiên cứu thuộc Viện Vật lý Hóa học Lan Châu (Trung Quốc) mới đây công bố đã phát triển thành công một loại vật liệu gốm thế hệ mới có khả năng uốn cong, nén mạnh, làm lạnh, đốt nóng và thậm chí nghiền nát mà không bị vỡ. Thành tựu này được kỳ vọng sẽ mở ra nhiều hướng ứng dụng quan trọng trong các ngành công nghiệp đòi hỏi vật liệu chịu điều kiện khắc nghiệt, đặc biệt là hàng không vũ trụ và phương tiện siêu thanh.

Từ lâu, gốm sứ được xem là nhóm vật liệu lý tưởng cho các môi trường nhiệt độ cao nhờ khả năng chịu nhiệt vượt trội. Chúng không dễ nóng chảy, cháy hay biến dạng, vì vậy thường được sử dụng trong động cơ, tàu vũ trụ và các thiết bị vận hành ở điều kiện khắc nghiệt. Tuy nhiên, nhược điểm lớn nhất của gốm truyền thống là tính giòn: chỉ cần uốn cong hoặc chịu va đập mạnh, vật liệu có thể nứt vỡ nhanh chóng.

Không chỉ vậy, khi phải hoạt động trong thời gian dài ở nhiệt độ cao, cấu trúc bên trong của gốm có xu hướng thô ráp hơn, làm suy giảm hiệu suất và tuổi thọ. Những hạn chế này từ lâu đã đặt ra bài toán khó cho các kỹ sư vật liệu, đặc biệt trong bối cảnh nhu cầu về vật liệu vừa bền, vừa nhẹ, vừa linh hoạt ngày càng tăng.

Một trong những giải pháp từng được kỳ vọng là aerogel – vật liệu siêu nhẹ, có khả năng cách nhiệt rất tốt nhờ cấu trúc chứa phần lớn là không khí. Tuy nhiên, aerogel truyền thống lại thậm chí còn giòn hơn gốm thông thường, khiến khả năng ứng dụng thực tế bị hạn chế. Trong kịch bản lý tưởng, các kỹ sư mong muốn tạo ra một loại vật liệu có tính cơ học mềm dẻo như bọt biển, nhưng vẫn giữ được khả năng chịu nhiệt của gạch lò nung.

Xem thêm  Thảm họa Luzhniki 1982: Khi niềm vui bóng đá biến thành ký ức tang thương

Xu hướng “gốm dẻo” vì vậy đang thu hút sự quan tâm lớn trong giới nghiên cứu. Nhóm khoa học tại Lan Châu đã theo đuổi hướng đi này bằng cách phát triển một loại aerogel gốm hoàn toàn mới. Sau nhiều thử nghiệm và điều chỉnh, họ tạo ra vật liệu có thể bị nén tới 98% thể tích mà không bị phá hủy, đồng thời có khả năng đàn hồi trở lại gần như nguyên trạng, tương tự cao su.

Đáng chú ý, vật liệu này duy trì được độ ổn định trong dải nhiệt độ rất rộng, từ mức cực lạnh của nitơ lỏng (khoảng –196 °C) đến nhiệt độ cực cao lên tới 1.500 °C. Khả năng cách nhiệt của nó cũng được đánh giá vượt trội so với nhiều loại gốm chịu nhiệt cao hiện nay.

Phát minh chưa từng có của người Trung Quốc: gốm sứ siêu dẻo, siêu cách nhiệt, có thể làm rung chuyển ngành hàng không vũ trụ- Ảnh 2.

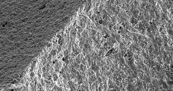
Theo các nhà nghiên cứu, chìa khóa nằm ở cấu trúc “entropy cao” mà họ áp dụng. Thay vì sử dụng một loại oxit kim loại chính như gốm truyền thống, vật liệu mới được tạo thành từ năm nguyên tố kim loại khác nhau, phân bố ngẫu nhiên trên cùng một mạng tinh thể.

Bên cạnh đó, cấu trúc vi mô của aerogel gốm mới có dạng một mạng lưới sợi nano, với các sợi đường kính khoảng 250 nanomet đan xen thành khung đỡ 3D giống lò xo. Giữa các sợi là những khoảng trống lớn, cho phép vật liệu dễ dàng bị nén khi chịu lực, đồng thời phân tán ứng suất trên toàn bộ cấu trúc, giảm nguy cơ hư hỏng cục bộ.

Với những đặc tính này, nhóm nghiên cứu cho rằng vật liệu mới có tiềm năng ứng dụng rộng rãi trong công nghiệp. Các lĩnh vực được nhắc đến gồm lớp vỏ phương tiện siêu thanh, vật liệu cách nhiệt cho tua bin, tấm chắn nhiệt, gioăng và vòng đệm của tàu vũ trụ. Ngoài ra, aerogel gốm dẻo cũng phù hợp cho các bộ phận hàng không vũ trụ phải chịu rung động mạnh và nhiệt độ cao trong thời gian dài.

Xem thêm  Giải Nobel Y sinh 2025 được trao cho ba nhà khoa học nhờ khám phá cơ chế 'phanh' hệ miễn dịch của con người

Nếu được thương mại hóa thành công, vật liệu này có thể đánh dấu một bước tiến đáng kể trong lĩnh vực khoa học vật liệu, góp phần giải quyết bài toán tồn tại hàng thập kỷ của ngành gốm chịu nhiệt.



Nguồn Genk

Bài viết liên quan

Stay Connected

21,683Thành viênThích
2,707Người theo dõiTheo dõi
0Người theo dõiĐăng Ký
- Advertisement -spot_img

Bài Viết Mới